鴻程消防服務項目

  • 消防圖說設計及簽證
  • 消防工程監造及簽證
  • 消防工程施工
  • 消防設備測試及維護
  • 工程竣工查驗及簽證
  • 年度檢修申報及簽證
  • 滅火器性能檢查及藥劑更換充填作業專業廠商
  • 各種消防安全設備零售
  • 建築物公共安全檢查申報

LATEST NEWS

最新消息

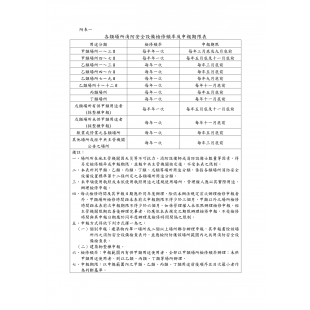
附表一 _2__page-0001.jpg
各類場所消防安全設備檢修申報期限表
MORE
1708654287355.jpg
建築物公共安全申報與消防安全設備檢修申報差別
MORE
MORE